Accueil> Liste de Produits > Vis> Vis à extrémité concave à douille hexagonale anti-vibration
Vis à extrémité concave à douille hexagonale anti-vibration
Vis à extrémité concave à douille hexagonale anti-vibration
Vis à extrémité concave à douille hexagonale anti-vibration

Vis à extrémité concave à douille hexagonale anti-vibration

Obtenir le dernier prix
Quantité de commande minimum:1
Attributs du produit

Modèlescrew 007

marqueattache wanhong

Emballage & livraison

The file is encrypted. Please fill in the following information to continue accessing it

Description du produit
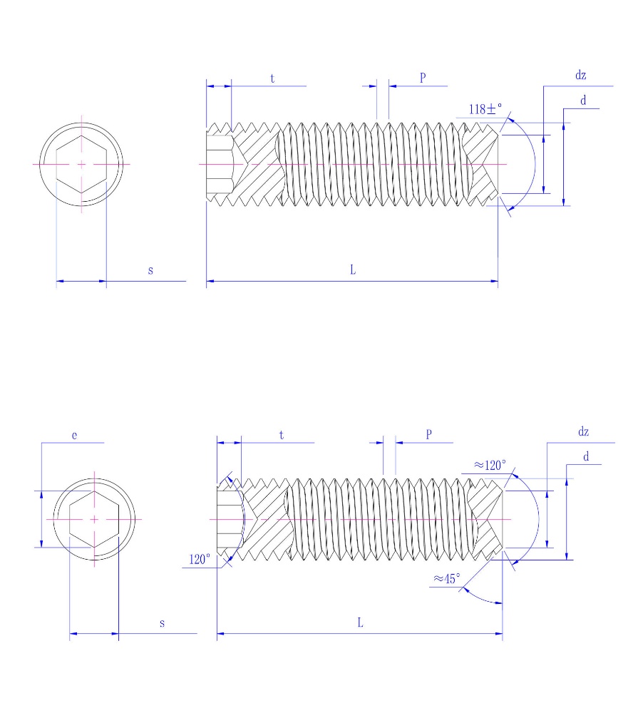
La vis de serrage à extrémité concave à douille hexagonale est une fixation conçue pour les scénarios de vibrations élevées et de charges lourdes. Il présente une structure de trou concave à douille hexagonale compatible avec le fonctionnement d'une clé hexagonale. L'extrémité concave est conçue dans une forme hémisphérique, ce qui peut former une zone de contact plus grande et obtenir un effet de fixation stable et moins sujet au desserrage.
Ce produit est fabriqué en acier et en acier inoxydable et sa surface est traitée par galvanisation, nickelage, noircissement, Dacromet, etc. Il présente une excellente résistance à la corrosion et à l'usure. Il couvre des niveaux de résistance tels que 4,8, 8,8, 10,9 et 12,9, ainsi que des niveaux de performance tels que 2, 5 et 8, répondant à diverses exigences allant de l'industrie générale aux conditions de travail à haute résistance et aux vibrations. Son principal avantage réside dans la conception hémisphérique à l'extrémité concave, qui forme une grande zone de maillage au contact de la pièce. Cela fournit non seulement une forte force de verrouillage, mais répartit également efficacement la charge, résolvant ainsi le problème selon lequel les vis de réglage traditionnelles ont tendance à se desserrer dans des environnements vibrants. Il est particulièrement adapté aux conditions de travail avec vibrations ou chocs continus.
Dans les domaines d'application, les vis de serrage à extrémité concave à six pans creux fonctionnent exceptionnellement bien et sont largement utilisées dans des scénarios tels que le verrouillage de composants de machines lourdes, la fixation de pièces vibrantes d'équipements automobiles et la connexion de composants anti-vibrations d'instruments et de compteurs. Par exemple, dans le système de transmission des machines minières, il peut réaliser une fixation anti-vibration à long terme des composants. Dans l'assemblage de composants accessoires pour moteurs automobiles, il peut répondre aux exigences de connexions stables dans des environnements à fortes vibrations.
Detailed image 01screw 007screw 007-1Detailed image 02Detailed image 03Detailed image 04
Produits chauds
Accueil> Liste de Produits > Vis> Vis à extrémité concave à douille hexagonale anti-vibration
Envoyer Une Demande
*
*

We will contact you immediately

Fill in more information so that we can get in touch with you faster

Privacy statement: Your privacy is very important to Us. Our company promises not to disclose your personal information to any external company with out your explicit permission.

envoyer